施工図面の作成方法としては、
A.図面も自分で作成の上、専門家(一級建築士)にチェックを依頼する方法 と、
B.すべて専門家に設計図作成依頼する方法
のふたつの方法があると思います(以下Aコース、Bコースという呼称で説明)。
Aコースのようにすべて自分で設計する場合、最初から建築士に依頼する場合に比べて設計費用は格安になりますが、それなりの専門的知識を習得するため、ある程度の時間が必要です。
一方、Bコースのように専門家に依頼する場合には、建築確認用申請用図面や施工図面を専門の建築士が作製します。費用はそれなりにかかりますが、家づくりにとって設計図面は羅針盤のようなもの。しっかりしたもの作っておけば、資材購入のロスも少なくまた作業の手戻りもありません。
以下では、A、B両コースについてもう少し詳しく述べておきましょう。
コースA:すべて自作、あるいは一部自作して専門家にチェックを依頼する場合
コースAは、基本的には自分で設計をした図面に十分な自信がもてない場合も想定し、その場合には設計の専門家に作成した図面等をチェックしてもらうというケースです。専門家のチェックを受けるとはいえ、基本的には自分で設計するわけですから、十分な基礎知識は持っていただく必要があります。その勉強方法については、「2×4工法の学習」の項で示したとおりですが、設計が既に終了している既存住宅の設計図面を参考に構造的な勉強をするのも良い方法です。書店などで購入できる同規模の2×4既存住宅図面があれば、それを参考図面として設計することもできます。2×4工法の構造は、
@基礎をつくる。
A基礎の上に1階の床をつくる。
B壁を作って1階の床の上にこれを建ておこす。
C2階がある場合にはA〜Bを繰り返す
D1階、または2階の壁組みの上に屋根部分を組み立てる。
というふうに極めて単純です。床や壁のつくりや、窓の部分のつくりなどにはすべて法則性があるため、「2×4工法の学習」における参考図書を一通り読めばだいたいの知識は持っていただけると思います。その上で、作図に入っていきますが、部材の選定とか、継ぎ手をどうするかといった細かい部分については、勉強に時間をかけるよりも、むしろ参考図書とにらめっこしながら、作図をしつつ理解していく、というやり方のほうが早く進歩すると思われます。そういう意味では、書籍ばかり読む勉強法よりは、以下で示すCADを自在に使えるようになることのほうが意味があります。CADとしてはフリーウェアとして一般は配布されているJWWというソフトが初心者にも馴染みやすいと思います。JWWは当初JW-CADという名称で平成3年にDOS版の配布が開始されましたが、6年ほど前からWindows版も配布されるようになり、JW-CAD for Windows の略称をJWWと呼んでいます。AutoCADやVectorWorksといった玄人向けといわれるCADに比べて素人には非常にわかりやすく使いやすいという定評があります。フリーソフトであるため、バージョンがアップするたびに無料で更新が可能な点も魅力です。
下記のHPより入手が可能ですので、アクセスしてみてください。
JWWは多くの建築専門家をはじめとする多数の支持者がいることから、応用ソフトや関連ソフトも多く、手引書も多数刊行されているなど、初めての方が勉強するにはもってこいのCADソフトといえるでしょう。
JWWの勉強のための書籍は本屋でも入手できますが、ここではよりわかりやすく、比較的短期間に確実に習熟度が上がるだろうと当社が考える学習ツールをご紹介します。下記のHPから「JwCadお助け君」という名前で無償ダウンロードできますので、利用してみてください。
http://www.vector.co.jp/soft/dl/win95/business/se138919.html
個人差はあると思いますが、こうしたツールを使って技術的な職業に就いていない方でも、一日1時間、通常2〜3週間程度の学習によりCAD図面が自分で作成できるようになるでしょう。最初はちんぷんかんぷんでも、ある程度自由に線が引けるようになったときの喜びはひとしおです。更に慣れれば立体図の作成などにも挑戦しましょう。
JW-CAD for Windows(JWW)の画面(フリーの学習ソフト:「JwCadお助け君」の画像)
自分で図面が作成できるようになったら、いよいよ設計図面の作成に入ります。とはいってもいきなり何のサンプルもなく図面作成をするのはちょっと厳しいかもしれません。このため、ここでは2冊の参考図書を紹介しておきましょう。最初の本は、学芸出版社から出されている「初めての建築CAD(税抜価格3200円)」という本です。これは文字通り、初めて建築図面を書く人向けの本で建築図面の書き方のみならず、JWWの基本操作についての記述もあります。平面図や矩計図の書き方が詳しく述べてあり、まずは小手調べの勉強をする人にとっては良い本でしょう。しかし、前述までのJWW学習ツールを使って勉強をしてきた人にとってはちょっと物足りないかも。更に先へ進みたい人は、エクスナレジから出されている「実務最優先JW-CADfor Windows 徹底活用術(税抜価格3000円」などを購入されると良いでしょう。タイトルだけみるとJWWの使い方解説書のようですが、この本では建築確認申請用の図面を題材にその書き方を中心にJWWの使い方を述べており、大変参考になると思います。また、JWWの環境設定やプレゼンテーション図面の書き方などの記述もあり、一歩進んだJWWの知識が得られると思います。
ここで紹介した2冊は、大きな本屋へいけば大抵手に入ると思います。ただ、いずれも良質な建築図面の書き方入門書には違いないのですが、2×4住宅の書き方を指南したものではない点に注意する必要があります。2×4住宅のJWW専用の設計指南書というものは、残念ながらまだ誰も執筆していないようでう。とはいえ、在来軸組工法の図面を書くための参考図書はほかにも多数ありますから、それらの中から勉強しやすいものを選ぶと良いでしょう。
さて、このように、ある程度苦労はされると思いますが自前の図面を書き進み、建築確認申請用図面や構造図(施工図)として仕上げたあとは、めでたく施工に入ることにります。しかし、前述のように、自分が書いた図面にどうしても自信が持てない、あるいは疑問に思う点が少なからずある、という方は、これを専門家によりチェックしてもらうことになります。この場合、申請用図面のみを専門家に依頼し、構造図のみを自前で作成する、あるいはその逆の選択も可能です。
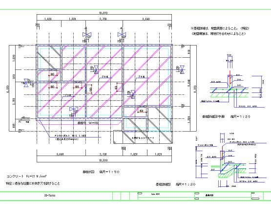
2×4住宅図面の例
ところで、建築確認申請とは、都市計画区域内に敷地を購入された方で、10m2以上の住宅を建てる場合には必ず役所に提出をしなければならない届出であり、一般的には案内図・配置図・平面図・立面図・断面図などが必要です。しかし、役所によっては内部仕上げ表・矩計(かなばかり)図や耐火関連資料などを求める場合もあり、一定規模以下では自分でも申請できますが、法律的な知識が必要になりますから専門家に依頼したほうが安心です。
一方、構造図(施工図)のほうも専門家に依頼することができますが、先のJWWの学習成果により自信をつけた方は、自分で作成することができるようになっているでしょう。とはいえ、不安が残る場合には有料で専門家にチェックしてもらうことも可能です。費用は図面の仕上がり具合によって異なってきますが、専門の建築士さんの中には、公庫仕様書に従って完成された図面ならば5万円程度で対応してくれるところもあるようです。チェックしてもらう図面は、CADで作成されたものに限らず、手書き図面でも何ら問題ありません。
なお、専門家に指摘を受ける内容としてはさまざまなものが予想されますが、一般的には以下のようなものが考えられます。
2×4の基本である455ピッチで構成されていない部屋がないか
公庫仕様通りの部材を配置してるか(サイズがの間違い、強度は十分か、など)
耐力壁が不足していないか、耐力壁であるべき部分が開口部になっていないか
適切な部分で継ぎ手されているか
きちんとした対角線がとられているか
たて枠・まぐさなどの壁部材の配置に誤りはないか
補強金具の種類、位置、数は適切か
振れ止め材、ファイアーストップ材などの補助部材が適宜配置されているか
採光・換気の上で問題はないか
セルフビルドで行う場合に困難な箇所はないか
その他、構造上、致命的な欠陥がないか
都市計画区域においては、延べ床面積100m2未満の住宅であれば建築確認申請は建築士の手を借りずに自分でできます。一方100m2以上の住宅の場合、基本的には設計も確認申請も建築士が行わなければならないきまりです。しかし、大きな声ではいえませんが、自分で設計した図面を建築士にチェックしてもらい、その建築士が自分が作成した図面として申請すれば自作図面であっても100m2以上の規模の住宅の建築確認申請も可能になります(但し、多くの建築士は代理申請の費用を請求してくると思われますのでその点はご了承下さい)。
一方、都市計画外区域に家を建てるケースでは、よほど大きな家(延床面積200m2以上など)でない限りは、建築確認申請は不要です。従って、行政手続上は建築士の手を借りる必要がありませんが、地震や台風のときにもゆるぎない住宅にするためにも、できるだけ専門家によるチェックを受けることをお勧めします。
コースAのまとめ
●建築確認申請申請図面
○都市計画外区域では基本的には不要
○都市計画内区域で100m2未満なら自分で作成し、自分で申請可能
自分で作成した図面に不安がある場合には建築士に有料でチェック依頼可能
○都市計画区域内で100m2以上ならば基本的には建築士が設計し、申請も建築士が行う。
但し、自分で作成した図面でも建築士が監修した図面とすれば申請可能
●構造用図面
○法的な制限のあるものではないので、基本的には自習自作図面でもOK(住宅面積に関わらず自分で設計図面を作成しても違法ではない)
○但し、都市計画区域内では、役所による検査に引っかからないようにするため、きちんとした図面を作成しておくがお勧め。公庫融資を受ける場合にはなおさらのこと。
○自分で作成した図面に不安がある場合には建築士に有料でチェック依頼可能
Aコースは、設計図面を自分で作成する以上、基本的にはもっとも費用がかからない案ですが、最終的に専門家にチェックをしてもらう場合にはその費用もかかりますし、作成図面もある程度の仕上がりは求められます。しかし、複雑な構造の住宅でない限り、基本的には定型図面を作成するだけのスキルを身につければよいわけです。素人が既存の定型図面のサンプルを流用しながら、自前の図面として完成させることは十分に可能ですし、こうした方法ならば比較的短期間に必要図面を揃えることができるでしょう。また、この際身につけたスキルは増築の際や二軒目の自作を行う場合にも大変役に立ちます。JWWは住宅設計だけでなく他の用途にも使える大変便利なものですから、ぜひその技術を身につけることをお勧めします。究極のセルフビルダーを目指す方は、ぜひトライしてみていただきたいと思います。
コースB:すべて依頼する場合
自分で2×4工法(枠組み壁工法)やCADを勉強する時間もないし、自信もない。また建築確認申請などの必要最低限の図面だけでなく、正確で間違いない施工をするならしっかりした構造図(施工図面)が必要だとお考えの方は、設計図面をすべて専門家に依頼することになります。
第3者へ設計を依頼するわけですから、当然、設計費用や申請費用はかかりますが、費用算定の際にも正確な積算資料ができ、安心したセルフビルドが行えます。施工中、不明な点も設計者に問い合わせることもできるほか、施工中の設計変更にも柔軟に対応できるなど安心感があります。どんなにお金がかかっても設計はやはり専門家に依頼したほうが安心だし、結局は安上がりとお考えの方向けの選択です。
気になる設計費用や確認申請費用ですが、一般的な建築設計事務所に依頼する場合では、以下がだいたいの目安になると思います。無論これより大きい額を提示してくる事務所もあると思いますが、以下は標準的な価格だと思います(あくまで目安です。設計しさんによっては、これがメシの種なのだから、と割り切ってより高い値段に設定している人もいることは確かです。)。
○構造図(施工図面)作成料
100u以内であれば¥250000を上限として対応(サイズにより変動)。
○お客様作成の構造図のチェック
大部分が公庫仕様、告示仕様により設計してある物件であれば、¥50000程度
○建築確認申請用図面及び申請書作成
イ)建築確認申請用の図面作成費¥150000程度 4面(配置図、仕上表、平面図(縮尺1:50)、立面図(縮尺1:100))
ロ)建築確認申請書作成費¥35000〜50000程度 確認申請書(正本、副本)+シックハウス書類 (申請に必要な図面は別途)
ハ)建築確認申請代理申請費用 対象とする地域の登録建築士による規定料
構造図は、基本的には自分で施工しやすいよう、作成するためのものです。役所のチェックを受ける性質のものではありませんから、前述のコースAでも述べたように、我流のものを作成することも可能です。ただし、構造図を自作する場合、図面のできあがりは我流でよくても、できあがった住宅は確認申請で提出した図面どおりになっている必要があり、確認申請どおりに仕上がっていない場合には無許可建築と認定されてしまう場合もありますので注意が必要です。
コースAの項でも説明し、繰り返しになりますが、建築確認申請は、その建てられる住宅のある地域の市町村役場で行うことになり、申請は100m2未満の住宅であれば自分でできますが、100m2以上であれば建築士の資格が必要です。さらにその建築士はその地域において免許登録している必要があり、このため家を建てようとする地域以外の地域で事務所を構えている建築士さんに建築確認申請書類の作成をしてもらった場合には、その家を建てようとする地域で免許を持っている別の建築士さんに代理申請してもらうことになります。この代理申請にあたっての費用は、事務所によっていろいろですが、一般的には1万〜1万5千円くらいだと思われます。基本的には役所との応対程度ですから、法外な代金を請求してくるようないかがわしい建築士には依頼しないほうが良いにこしたことはありません。しかし、申請代理だけだと商売になりにくいので、申請書類の作成と書類の提出一式でないと引き受けてくれない建築事務所もあるようです。
このため、こうした場合には、建築確認申請書の作成はすべて地元の建築士さんに役所への提出も含めて依頼することになります。この地元の建築士さんには、代理申請のほかにも、このあと役所によっておこなわれる中間検査や完了検査の立会いをお願いすることもできるほか、建物の登記手続きをする司法書士を紹介してもらうこともできるはずです。また3階建て住宅の場合には工事管理者が必要になり、この管理者の依頼もできるなど、いろいろメリットは大きいと思いますからできるだけ信頼関係を築いておくことが望ましでしょう。
なお、以下には建築確申請後の手続きについて補足しておきます。
1)中間検査・完了検査
建築確認申請をしたあと、実際の建築のそれぞれの段階では、その地域の役所による中間検査、完了検査が行われます。中間検査や時期は自治体によって異なりますが、2×4工法の場合は、上下階壁組みの立ておこしが終わった時点が多いようです。時期にあわせ、手配した建築士に立会いを依頼します。費用等はこれら建築士と相談して決めることになりますが、100m2以下の住宅の場合、確認申請時、中間検査時、完了検査時、それぞれ1万円前後の手数料が目安でしょう。
2)登記手続き(建物表示登記、所有権保存登記代行
建物表示登記は、所在、家屋番号、種類、構造、床面積、新築した日付、所有者などの項目を登記所に登録することです。建物表示登記の登録免許税は無税なので費用はかかりませんが、手続きを代行してくれる土地家屋調査士への報酬が必要になります。費用は、一般的には8〜10万円くらいです。
また所有権保存登記は、その建物の所有権が誰のものかを示すために登記所に登記を行うことです、登録免許税のほかに手続きを代行してくれる司法書士への報酬が必要です。
登録免許税は、建物評価額の0.2%、司法書士報酬は3〜5万円程度です。
3)その他諸費用代行・通知(火災保険、各種税金の案内、水道・下水道関連手続き等)
火災保険の加入や水道・下水道関連の手続きもやってくれる建築事務所もあると思いますが、多くの場合は専門の業者を紹介してくれるにとどまるでしょう。下水道のない地域では浄化槽の設置が義務付けられている場所も多いことから、その設置のための事務手続きなどについてもこの業者さんに依頼するほうが楽です。なお、各種税金について自治体によって異なりますから、地元の建築事務所のほうが詳しいと思われます。どのような納付が必要かを質問してみましょう。
- continue -
2011-01-01